◆รุ่น: YLM60 YLM100 YLM150
◆แอปพลิเคชัน: ชุดเครื่องมือนี้เป็นเครื่องมือพิเศษสำหรับการตรวจจับอุณหภูมิต่ำหรือสื่อสารทำความเย็นพิเศษส่วนใหญ่ใช้ในตู้เย็นเครื่องปรับอากาศเครื่องทำความเย็นน้ำเครื่องเป่าอากาศหรือระบบเครื่องวัดสารทำความเย็นประกอบ
นอกจากนี้ยังสามารถสร้างแผงการติดฉลากสารทำความเย็นที่แตกต่างกันตามความต้องการของลูกค้าและมีแคปและเคสหลายประเภท (สไตล์สวิส) สำหรับลูกค้าที่จะเลือก
เนื่องจากการออกแบบขั้วต่อที่ดีที่สุดและการพิจารณาพิเศษในการเลือกวัสดุเชื่อมและส่วนประกอบการตรวจจับแรงดันชุดผลิตภัณฑ์นี้มีลักษณะที่ยอดเยี่ยมของการต่อต้านการรั่วไหล, พัลส์ต่อต้านแรงดันและการสั่นสะเทือนดังนั้นคุณภาพของเครื่องมือจึงดีขึ้นอย่างมาก
◆พารามิเตอร์ทางเทคนิค -
| หมายเลขรุ่น | ylm60 | YLM100 | YLM150 | |
| เส้นผ่าศูนย์กลางเล็กน้อย | φ 60 | φ 100 | φ 150 | |
| ประเภทการติดตั้ง | ⅰ | - | - | - |
| ⅱ | - | - | - | |
| ⅲ | - | / | / | |
| ⅳ | - | - | - | |
| ⅴ | - | / | / | |
| ⅵ | - | - | - | |
| เธรดขั้วต่อ | M14 1.5 | M20 1.5 | ||
| ระดับความแม่นยำ | 2.5 | 1.6 | ||
| ช่วงการวัด - MPA - | แรงดันไฟฟ้าต่ำ: (- 30 - 0 - 15 - กิโลกรัม - 1.8MPA กดขี่ (( 0 - 35 - กิโลกรัม - 3.8MPA | |||
| ข้อมูลจำเพาะประเภทสื่อ | R134a - R22A - R404A - R407A | |||
| สภาพแวดล้อมการใช้งาน | อุณหภูมิ: -20 ℃~ 60 ℃; ความชื้นสัมพัทธ์: 80 % | |||
| คะแนนการสั่นสะเทือน | V - ชม - 3 | |||
| ชั้นเรียนป้องกัน | IP54 | |||
| มาตรฐานการดำเนินการ | GB/T 1226 | |||
| หมายเหตุ: 1. เธรดร่วมสามารถปรับแต่งตามข้อกำหนดของผู้ใช้ | ||||
◆มิติภายนอก:
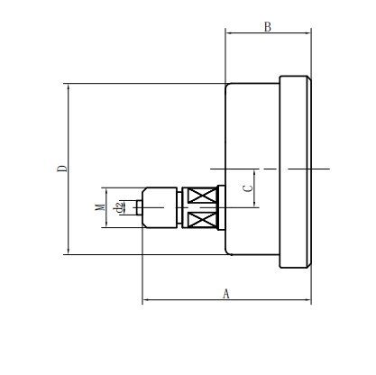
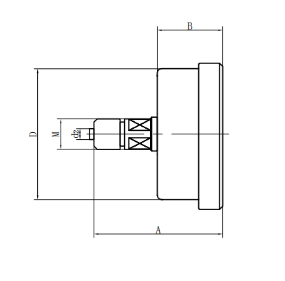
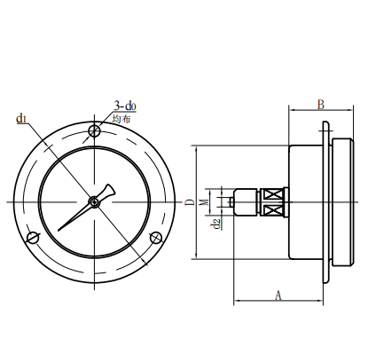
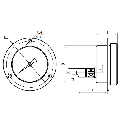
| ประเภท Radial Direct (ⅰ) | ประเภทโดยตรงตามแนวแกน (ⅱ) |
| ประเภทแกนกลางแกนกลาง (III) | ชนิดแทรกตามแนวแกน (IV) |
| ประเภทการแทรกแกนกลางแกน (V) | Radial Novex Type (VI) |
| หมายเลขรุ่น | มิติโดยรวม - มม. - | |||||||
| อัน | ข | C | d | D0 | D1 | D2 | ม. | |
| ylm60 -ⅰ | 56 | 33 | 11 | φ 60 | / | / | φ 5 | M14 1.5 |
| ylm60 -ⅱ | 61 | 32.5 | 18 | φ 60 | / | / | | |
| ylm60 -ⅲ | 61 | 32.5 | / | φ 60 | / | / | φ 5 | M14 1.5 |
| ylm60 -ⅳ | 55 | 32.5 | 18 | φ 60 | φ 5 | φ 75 | | |
| ylm60 -ⅴ | 55 | 32.5 | / | φ 60 | φ 5 | φ 75 | φ 5 | M14 1.5 |
| ylm60 -ⅵ | 56 | 33 | 11 | φ 60 | φ 5 | φ 75 | φ 5 | M14 1.5 |
| YLM100 -ⅰ | 90 | 48 | 15 | φ 100 | / | / | φ 6 | M20 1.5 |
| YLM100 -ⅱ | 83 | 44 | 34 | φ 100 | / | / | φ 6 | M20 1.5 |
| YLM100 -ⅳ | 68 | 44 | 34 | φ 100 | φ 6 | φ 118 | φ 6 | M20 1.5 |
| YLM100 -ⅵ | 90 | 48 | 15 | φ 100 | φ 6 | φ 118 | φ 6 | M20 1.5 |
| YLM150 -ⅰ | 117 | 51 | 16.5 | φ 150 | / | / | φ 6 | M20 1.5 |
| YLM150 -ⅱ | 92 | 52 | 55 | φ 150 | / | / | φ 6 | M20 1.5 |
| YLM150 -ⅳ | 69 | 52 | 55 | φ 150 | φ 6 | φ 165 | φ 6 | M20 1.5 |
| YLM150 -ⅵ | 117 | 53 | 28 | φ 150 | φ 6 | φ 165 | φ 6 | M20 1.5 |

















