◆รุ่น: YG60 YG100 YG150
◆การใช้งาน: ทุกส่วนของมาตรวัดนี้ทำจากสแตนเลสและชิ้นส่วนหลักทำจาก 1cr18ni9, OCR18NI12MO2TI, SUS316, SUS316L เป็นต้นการเชื่อมของแต่ละส่วนทำโดยกระบวนการพิเศษ ในหมู่พวกเขามาตรวัดความดันอุณหภูมิสูงที่ทนต่อการกัดกร่อนมีประสิทธิภาพสูงและทนต่อการกัดกร่อนที่ดีเยี่ยมสำหรับสภาพแวดล้อมที่มีการกัดกร่อนสามารถตรวจจับการกัดกร่อนที่อ่อนแอ แต่ไม่ตกผลึก ใช้กันอย่างแพร่หลายในปิโตรเลียม, เคมี, ยาฆ่าแมลง, ยาง, ก๊าซธรรมชาติและอุตสาหกรรมอื่น ๆ
◆พารามิเตอร์ทางเทคนิค -
| หมายเลขรุ่น | yg60 | YG100 | YG150 | ||
| เส้นผ่าศูนย์กลางเล็กน้อย | φ 60 | φ 100 | φ 150 | ||
| ประเภทการติดตั้ง | ⅰ | - | - | - | |
| ⅱ | - | - | - | ||
| ⅲ | - | / | / | ||
| ⅳ | - | - | - | ||
| ⅴ | - | / | / | ||
| ⅵ | - | - | - | ||
| เธรดขั้วต่อ | M14 1.5 | M20 1.5 | |||
| ระดับความแม่นยำ | 2.5 | 1.6 | |||
| ช่วงการวัด - MPA - | ว่าง: -0.1 0 เครื่องดูดฝุ่นแรงดัน- -0.1 0.06 -0.1 0.15 -0.1 0.3 -0.1 0.5 -0.1 0.9 -0.1 1.5 -0.1 2.4 ความดัน: 0 0.1 0 0.16 0 0.25 0 0.4 0 0.6 0 1 0 1.6 0 2.5 0 4 0 6 0 10 0 16 0 25 0 40 0 60 0 100 - 0 160 - 0 250 | ||||
| สภาพแวดล้อมการใช้งาน | อุณหภูมิ : -40 ℃~ 70 ℃ | ||||
| อุณหภูมิ | การติดตั้งโดยตรง: 150 ℃ | ||||
| อุณหภูมิ: 500 ℃ | |||||
| ข้อผิดพลาดผลกระทบอุณหภูมิ | Δ= ± (δ K Δ T - Δ—— ค่าที่อนุญาตของข้อผิดพลาดค่าการแสดงผลเมื่ออุณหภูมิแวดล้อมเบี่ยงเบนไปจาก 20 ℃± 5 ℃และค่าที่อนุญาตของข้อผิดพลาดค่าการแสดงผลเมื่ออุณหภูมิแวดล้อมเบี่ยงเบนจาก 20 ℃± 5 ℃ - Δ—— ค่าสัมบูรณ์ของข้อผิดพลาดที่แท้จริงของเครื่องมือ - K —— ค่าสัมประสิทธิ์เอฟเฟกต์อุณหภูมิด้วยค่า 0.04%/° C Δ T —— ความอุณหภูมิของสื่อที่หลอด Bourdon ℃ -25∣ | ||||
| คะแนนการสั่นสะเทือน | V - ชม - 3 | ||||
| วัสดุหลอด Borden | ocr18ni12mo2ti - SUS316 - SUS316L | ||||
| ที่อยู่อาศัยวัสดุเชื่อมต่อ | 1cr18ni9ti - SUS304 | ||||
| ชั้นเรียนป้องกัน | IP65 | ||||
| มาตรฐานการดำเนินการ | GB/T 1226 | ||||
| หมายเหตุ: 1. เธรดร่วมสามารถปรับแต่งตามข้อกำหนดของผู้ใช้ | |||||
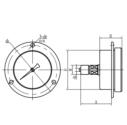
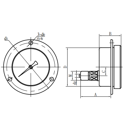
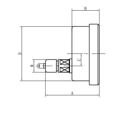
◆มิติภายนอก:
| ประเภท Radial Direct (ⅰ) | ประเภทโดยตรงตามแนวแกน (ⅱ) |
| ประเภทแกนกลางแกนกลาง (III) | ชนิดแทรกตามแนวแกน (IV) |
| ประเภทการแทรกแกนกลางแกน (V) | Radial Novex Type (VI) |
| หมายเลขรุ่น | มิติโดยรวม - มม. - | |||||||
| อัน | ข | C | d | D0 | D1 | D2 | ม. | |
| yg60 -ⅰ | 56 | 33 | 11 | φ 60 | / | / | φ 5 | M14 1.5 |
| yg60 -ⅱ | 61 | 32.5 | 18 | φ 60 | / | / | φ 5 | |
| yg60 -ⅲ | 61 | 32.5 | / | φ 60 | / | / | φ 5 | M14 1.5 |
| yg60 -ⅳ | 55 | 32.5 | 18 | φ 60 | φ 5 | φ 75 | φ 5 | |
| yg60 -ⅴ | 55 | 32.5 | / | φ 60 | φ 5 | φ 75 | φ 5 | M14 1.5 |
| yg60 -ⅵ | 56 | 33 | 11 | φ 60 | φ 5 | φ 75 | φ 5 | M14 1.5 |
| YG100 -ⅰ | 90 | 48 | 15 | φ 100 | / | / | φ 6 | M20 1.5 |
| YG100 -ⅱ | 83 | 44 | 34 | φ 100 | / | / | φ 6 | M20 1.5 |
| YG100 -ⅳ | 68 | 44 | 34 | φ 100 | φ 6 | φ 118 | φ 6 | M20 1.5 |
| YG100 -ⅵ | 90 | 48 | 15 | φ 100 | φ 6 | φ 118 | φ 6 | M20 1.5 |
| YG150 -ⅰ | 117 | 51 | 16.5 | φ 150 | / | / | φ 6 | M20 1.5 |
| YG150 -ⅱ | 92 | 52 | 55 | φ 150 | / | / | φ 6 | M20 1.5 |
| YG150 -ⅳ | 69 | 52 | 55 | φ 150 | φ 6 | φ 165 | φ 6 | M20 1.5 |
| YG150 -ⅵ | 117 | 53 | 28 | φ 150 | φ 6 | φ 165 | φ 6 | M20 1.5 |















