◆รุ่น: Yeb60 Yeb100 yeb150
◆การใช้งาน: ชุดของเครื่องมือนี้เหมาะสำหรับการวัดความดันไมโครต่ำของก๊าซโดยไม่มีอันตรายจากการระเบิดการไม่ทำผลึกการไม่รวมกันและก๊าซกัดกร่อนบางอย่าง ระบบคู่มือเปลือกเครื่องดนตรีและแรงดันทำจาก 1CR18NI9 และกล่องเมมเบรนทำจาก 0CR17NI12MO2, 316, 316L.
◆พารามิเตอร์ทางเทคนิค-
| หมายเลขรุ่น | Yeb60 | yeb100 | Yeb150 | |
| เส้นผ่าศูนย์กลางเล็กน้อย | φ 60 | φ 100 | φ 150 | |
| ประเภทการติดตั้ง | ⅰ | - | - | - |
| | ⅱ | / | - | - |
| | ⅲ | - | / | / |
| | ⅳ | / | - | - |
| | ⅴ | - | / | / |
| เธรดขั้วต่อ | M14 1.5 | M20 1.5 | ||
| ระดับความแม่นยำ | 1.6 - 2.5 | |||
| ช่วงการวัด - KPA - | -40 0 -25 0 -16 0 -10 0 -6 0 -4 0 0 4 0 6 0 10 0 16 0 25 0 40 -2 2 -3 3 -5 5 -8 8 -12 12 -20 20 | |||
| สภาพแวดล้อมการใช้งาน | อุณหภูมิ : -25 ℃~ 55 ℃; ความชื้นสัมพัทธ์ : 80 - | |||
| คะแนนการสั่นสะเทือน | V - ชม - 2 | |||
| วัสดุกล่องเมมเบรน | 0cr17ni12mo2 - SUS316 - SUS316L | |||
| ที่อยู่อาศัยวัสดุเชื่อมต่อ | 1cr18ni9 - SUS304 | |||
| ชั้นเรียนป้องกัน | IP65 | |||
| มาตรฐานการดำเนินการ | JB/T 9274 | |||
| หมายเหตุ: 1. เธรดร่วมสามารถปรับแต่งตามข้อกำหนดของผู้ใช้ | ||||
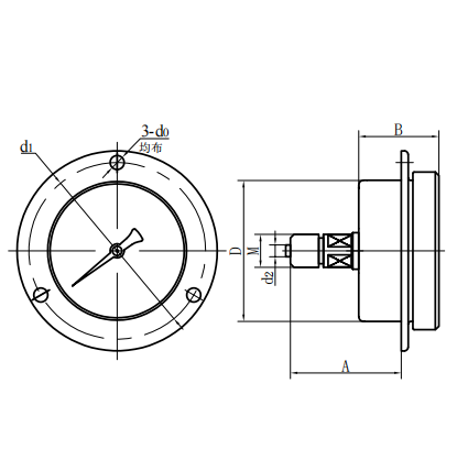
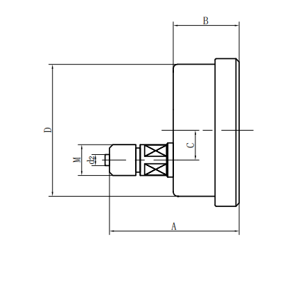
◆มิติภายนอก:
| ประเภท Radial Direct (ⅰ) | ประเภทโดยตรงตามแนวแกน (ⅱ) |
| ประเภทแกนกลางแกนกลาง (III) | ชนิดแทรกตามแนวแกน (IV) |
| ประเภทการแทรกแกนกลางแกน (V) | Radial Novex Type (VI) |
| หมายเลขรุ่น | มิติโดยรวม - มม. - | ||||||
| อัน | ข | C | d | อี | D2 | ม. | |
| Yeb60 -ⅰ | 58 | 35 | 11 | φ 60 | 5 | φ 4.5 | M10 1 |
| Yeb60 -ⅲ | 58 | 35 | / | φ 60 | 5 | φ 4.5 | M10 1 |
| | | | | | | | |
| yeb100 -ⅰ | 93 | 50 | 16.5 | φ 100 | 16.5 | φ 6 | M20 1.5 |
| yeb100 -ⅲ | 85 | 50 | / | φ 100 | 16.5 | φ 6 | M20 1.5 |
| | | | | | | | |
| Yeb150 -ⅰ | 118 | 53 | 18.5 | φ 150 | 19 | φ 6 | M20 1.5 |
| Yeb150 -ⅲ | 96 | 53 | / | φ 150 | 19 | φ 6 | M20 1.5 |
| | | | | | | | |

















