◆รุ่น: YN40 YN50 YN60 YN75 YN100 YN150
◆การใช้งาน: ชุดเครื่องมือนี้มีความต้านทานต่อการกระแทกที่ดีโดยเฉพาะอย่างยิ่งเหมาะสำหรับสถานที่ที่มีการสั่นสะเทือนของเครื่องจักรสิ่งแวดล้อมและสามารถทนต่อการเต้นอย่างรุนแรงการกระแทกและการขนถ่ายแรงดันปานกลางอย่างกะทันหัน เหมาะสำหรับการวัดความดันของของเหลวก๊าซหรือไอน้ำซึ่งไม่มีอันตรายจากการระเบิดไม่ตกผลึกไม่ทำให้แข็งตัวและไม่มีผลการกัดกร่อนต่อโลหะผสมทองแดงและโลหะผสมทองแดง เครื่องมือระบุการอ่านที่มีเสถียรภาพและชัดเจน มีการใช้กันอย่างแพร่หลายในเครื่องจักรกลหนักการขุดปิโตรเลียมอุตสาหกรรมเคมีโลหะโลหะพลังงานไฟฟ้าและแผนกอื่น ๆ
◆ในการใช้งานจริงตามลักษณะพิเศษของสื่อต่าง ๆ (เช่นการห้ามน้ำมัน, ไฟ, ทนต่อการกัดกร่อน, ฯลฯ ) ข้อกำหนดของเครื่องมือนั้นแตกต่างกันดังนั้นเครื่องมือชุดนี้ได้รับเครื่องมือพิเศษที่สอดคล้องกันจำนวนมาก
2.1 เหมาะสำหรับการวัดความดันของสื่อไวไฟและระเบิด มันเป็นสิ่งต้องห้ามอย่างเคร่งครัดในการติดต่อกับสารไวไฟเลี่ยน การรักษาแบบเสื่อมสภาพก่อนออกจากโรงงานและทดสอบว่าปราศจากไขมัน
2.1.1 ชุดเกจความดันออกซิเจนที่ทนต่อการกระแทก (แผ่นดินไหว)
2.1.2 มาตรวัดแรงดันไฮโดรเจนที่ทนต่อแรงกระแทก (แผ่นดินไหว)
2.1.3 Yyn ซีรีส์ของมาตรวัดความดันอะเซทิลีนที่ทนต่อแรงกระแทก (ช็อต)
2.2 วัสดุที่ใช้นั้นทนต่อการกัดกร่อนของสื่อหรือเครื่องมือไม่มีผลต่อสื่อและเพื่อให้แน่ใจว่าองค์ประกอบการตรวจจับและการเชื่อมต่อนั้นสะอาดและปราศจากไขมัน
2.2.1 Yan Series ของมาตรวัดแรงดันแอมโมเนียที่ทนต่อการกระแทก (ช็อต)
2.2.2 YDQN ซีรี่ส์ของมาตรวัดแรงดันไนโตรเจนที่ทนต่อแรงดัน (ช็อต)
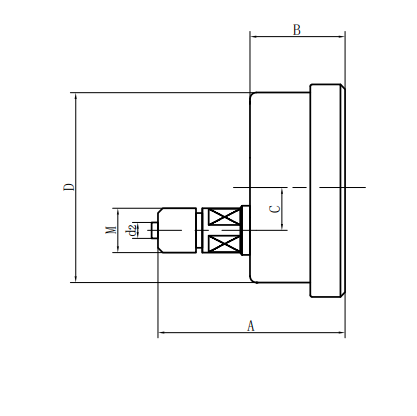
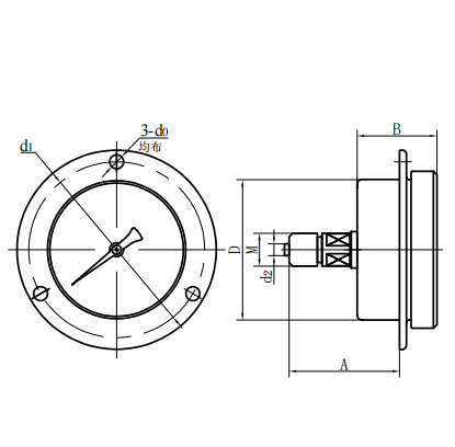
เกจวัดแรงดันที่กันกระแทกของ YN Series
รุ่น: 40 มม. (1.5 "), 50 มม. (2"), 60 มม. (2.5 "), 100 มม. (4"), 150 มม. (6 ")
การแนะนำ:
ชุดของเครื่องมือมีความต้านทานการกระแทกที่ยอดเยี่ยมบ่งชี้ที่มั่นคงการอ่านที่ชัดเจนและเหมาะอย่างยิ่งสำหรับการใช้งานในสถานที่ที่มีการสั่นสะเทือนเชิงกลที่รุนแรง พวกเขายังสามารถทนต่อการเต้นแรงกระแทกและการลดภาระอย่างฉับพลันของสื่อกลางกลไกการดูดซับแรงกระแทกและการออกแบบที่เต็มไปด้วยของเหลว เนื่องจากความยืดหยุ่นและความแม่นยำจึงถูกใช้อย่างกว้างขวางในอุตสาหกรรมต่าง ๆ


















































































































