◆รุ่น: YJ150 YJ150A
◆การใช้งาน: ชุดเครื่องมือนี้ส่วนใหญ่จะใช้ในการปรับเทียบเกจวัดความดันอุตสาหกรรมหรือความดันทั่วไป นอกจากนี้ยังสามารถใช้ในการวัดความดันของสื่อที่ไม่กัดกร่อนการไม่ทำผลึกและไม่รวมกันเช่นโลหะผสมทองแดงและเหล็กกล้าโลหะผสมที่ไซต์กระบวนการ
ชุดเครื่องมือนี้ในสเกลเส้นภายใต้การตั้งค่าของวงแหวนกระจกที่ใช้งานสามารถทำให้เกิดข้อผิดพลาดในการอ่านได้น้อยที่สุดประเภทที่มีอุปกรณ์เป็นศูนย์ในกระบวนการใช้งานหากคุณพบว่าตัวชี้ไม่กลับไปเป็นศูนย์หากไม่มีความดันสื่อ
◆พารามิเตอร์ทางเทคนิค -
| หมายเลขรุ่น | YJ150 | yj150a | |
| เส้นผ่าศูนย์กลางเล็กน้อย | φ 150 | ||
| แบบฟอร์มการติดตั้ง | ⅰ | - | - |
| ⅳ | - | - | |
| เธรดขั้วต่อ | M20 1.5 | ||
| ระดับความแม่นยำ | 0.4 | ||
| ช่วงการวัด - MPA - | ว่าง: -0.1 0 เครื่องดูดฝุ่นแรงดัน: -0.1 0.06 -0.1 0.15 -0.1 0.3 -0.1 0.5 -0.1 0.9 -0.1 1.5 -0.1 2.4 ความดัน: 0 0.1 0 0.16 0 0.25 0 0.4 0 0.6 0 1 0 1.6 0 2.5 0 4 0 6 0 10 0 16 0 25 0 40 0 60 0 100 | ||
| สภาพแวดล้อมการใช้งาน | อุณหภูมิ: 20 ℃± 3 ℃ | ||
| คะแนนการสั่นสะเทือน | V - ชม - 2 | ||
| ชั้นเรียนป้องกัน | IP54 | ||
| มาตรฐานการดำเนินการ | GB/T 1227 | ||
| หมายเหตุ: 1. เธรดร่วมสามารถปรับแต่งตามข้อกำหนดของผู้ใช้ | |||
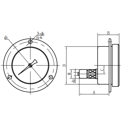
◆มิติภายนอก:
| ประเภท Radial Direct (ⅰ) | ประเภท Axial Eccentric Direct (ⅱ) |
| หมายเลขรุ่น | ขนาดโดยรวม ( มม. - | |||||||
| อัน | ข | C | d | D0 | D1 | D2 | ม. | |
| YJ150- ⅰ yj150a- ⅰ | 113 | 51 | 21 | φ 150 | / | / | φ 6 | M20 1.5 |
| YJ150- ⅳ yj150a- ⅳ | 79 | 51 | 55 | φ 150 | φ 6 | φ 165 | φ 6 | M20 1.5 |

















