◆รุ่น: YZS102
◆รุ่น: YZS102
◆พารามิเตอร์ทางเทคนิค:
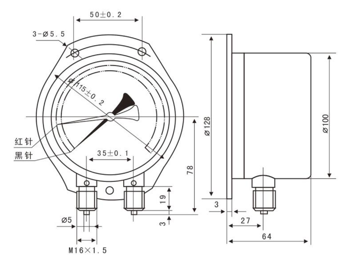
| แบบอย่าง | YZS102 |
| เส้นผ่าศูนย์กลางเล็กน้อย | φ 100 |
| เธรดที่เหมาะสม | M20 1.5 - G3/8 |
| ระดับความแม่นยำ | 1.6 |
| ช่วงการวัด - KPA - | 0 1,000 0 1200 0 1600 0 2500 |
| สภาพแวดล้อมการใช้งาน | อุณหภูมิ: -5 ° C ~ 60 ° C ความชื้นสัมพัทธ์: ไม่เกิน 80% |
| ผลกระทบอุณหภูมิ | (การเบี่ยงเบนจาก 20 ° C ± 5 ° C เมื่อใช้) ไม่เกิน 0.4%/10 ° C |
| น้ำหนัก | 0.7kg |
| คะแนนความต้านทานการสั่นสะเทือน | V - ชม - 3 |
| การป้องกันทางเข้า | IP54 |
| บังคับใช้มาตรฐาน | GB/T1226 |
| บันทึก: 1 - เธรดร่วมสามารถปรับแต่งตามข้อกำหนดของผู้ใช้ | |
◆ขนาดภายนอก:
Wuxi Huihua Special Instrumentation Co. , Ltd. was established in December 2001, the registered capital is 5 million yuan, the existing staff of more than 50 small and medium-sized joint-stock enterprises.
บริษัท มีความเชี่ยวชาญในการผลิตเครื่องมือพิเศษประเภทต่างๆทางเลือกในการแปลเครื่องมือนำเข้า เพื่อมาตรวัดแรงดันแผ่นดินไหวมาตรวัดความดันไฟฟ้าสัมผัสคลื่นไหวสะเทือน, มาตรวัดความดันสแตนเลสสแตนเลส, มาตรวัดความดันที่ทนต่อการกัดกร่อนของไดอะแฟรม, มาตรวัดความดันทางทะเลและซีรีส์อื่น ๆ เป็นผลิตภัณฑ์หลัก บนพื้นฐานของเครื่องมือภาคสนามเราได้พัฒนาเครื่องส่งสัญญาณความดันหลายชนิดตัวควบคุมความดันเกจวัดความดันดิจิตอลและอื่น ๆ มีมากกว่า 30 ซีรีส์และข้อกำหนด 3000 ผลิตภัณฑ์จัดหามีการใช้กันอย่างแพร่หลายในปิโตรเลียม, เคมี, กระดาษ, โลหะวิทยา, การขุด, ไฟเบอร์เคมี, พลังงานไฟฟ้า, อาหาร, การป้องกันสิ่งแวดล้อม, ยางและพลาสติก, ไฮดรอลิกส์และอุตสาหกรรมอื่น ๆ อีกมากมายและลูกค้าในประเทศมากกว่า 2,000 คน
เช่น ชุดเกจวัดความดันสองหลอดคู่แบบสองสาย Manufacturersมีกระบวนการควบคุมคุณภาพอย่างเข้มงวดทั่วทั้งระบบการผลิตเพื่อให้แน่ใจว่ามีการผลิตคุณภาพที่สอดคล้องกัน
เกจวัดแรงดันเป็นหนึ่งในเครื่องมือพื้นฐานที่สุดในสภาพแวดล้อมทางอุตสาหกรรม เครื่องกล หรือกระบวนการ โดยให้การวัดแรงดันของเหลวหรือก๊าซแบบเรียลไทม์ ช่วยให้ผู้ปฏิบัติงานสามารถตรวจสอบประสิทธิภาพของระบบ ป้องกันความเสียหายของอ......
อ่านเพิ่มเติมทำความเข้าใจพื้นฐานเกจวัดความดัน เกจวัดแรงดัน เป็นเครื่องมือสำคัญที่ใช้ในอุตสาหกรรมต่างๆ นับไม่ถ้วนเพื่อวัดและแสดงความดันของก๊าซหรือของเหลวภายในระบบ อุปกรณ์เหล่านี้ทำหน้าที่สำคัญในการตรวจสอบประสิทธิภาพของระบบ......
อ่านเพิ่มเติมเครื่องส่งสัญญาณความดันแตกต่างเป็นเครื่องมือสำคัญในระบบการควบคุม การวัด และการตรวจสอบกระบวนการทางอุตสาหกรรมสมัยใหม่ อุปกรณ์เหล่านี้จะวัดความแตกต่างของความดันระหว่างจุดสองจุดในระบบและแปลงการวัดนี้เป็นสัญญาณเอาต์พุตมาตร......
อ่านเพิ่มเติม