พารามิเตอร์ทางเทคนิค:
| แบบอย่าง | CYBN100 | CYBN150 |
| เส้นผ่าศูนย์กลางเล็กน้อย | φ 100 | φ 150 |
| ประเภทการติดตั้ง | ติดตั้งนูนรัศมี อินเทอร์เฟซแบบขนาน | - | - |
| ติดตั้งนูนรัศมี อินเทอร์เฟซแปดตัวอักษร | | - |
| ประเภทฟลัชที่ผิดปกติ | - | - |
| ช่วงการวัด | ความดันที่แตกต่างกัน ช่วงการวัด KPA | เล็กน้อย แรงกดดันในการทำงาน KPA | ความดันที่แตกต่างกัน ช่วงการวัด MPA | เล็กน้อย แรงกดดันในการทำงาน MPA |
| 0 10 | 60 | 0 0.16 | 1 |
| 0 16 | 100 | 0 0.25 | 1.6 |
| 0 25 | 160 | 0 0.4 | 2.5 |
| 0 40 | 250 | 0 0.6 | 4 |
| 0 60 | 400 | 0 1 | 6 |
| 0 100 | 600 | 0 1.6 | 10 |
| | | 0 2.5 | 10 |
| ระดับความแม่นยำ | 2.5 |
| เธรดที่เหมาะสม | M20 1.5 |
| ใช้อุณหภูมิแวดล้อม | -40 ℃~ 70 ℃ |
| อุณหภูมิของสื่อที่จะใช้ | 60 ℃ |
| คะแนนความต้านทานการสั่นสะเทือน | V - ชม - 4 |
| การจัดอันดับ | IP65 |
| น้ำหนัก | ประมาณ 1.5 กิโลกรัม |
| วัสดุของระบบแรงกระตุ้น | 0cr17ni12mo2 - SUS316 |
| ปลอกและวัสดุอื่น ๆ | 1cr18ni9 - SUS304 |
| บังคับใช้มาตรฐาน | JB/T 12015-2014 |
| บันทึก: 1 - เธรดร่วมสามารถปรับแต่งตามข้อกำหนดของผู้ใช้ |
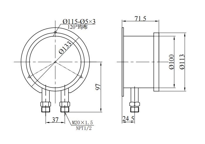
◆รูปลักษณ์และขนาดการติดตั้ง:
| CYBN100 อินเทอร์เฟซแบบขนาน | CYBN150 อินเทอร์เฟซแบบขนาน |
| CYBN150 อินเตอร์เฟส bazi | CYBN150 ความผิดปกติของแกน |
◆หลักการโครงสร้าง:
เครื่องมือนี้ใช้โครงสร้างหลอด Bourdon สองชั้นนั่นคือหลอด Bourdon สองหลอดถูกติดตั้งในตำแหน่งสมมาตรทั้งสองด้านของวงเล็บ "I" ส่วนบนและล่างของวงเล็บ "I" คือจุดสิ้นสุดที่เคลื่อนย้ายได้และปลายคงที่ตามลำดับและตรงกลางเชื่อมต่อด้วยชิ้นส่วนสปริง: ท่อ Bourdon ทั้งสองอยู่ในสถานะคู่ขนานและเชื่อมต่อกับข้อต่อแรงดันสูงและต่ำ ได้รับการแก้ไขโดยตรงในกลไกการส่งเกียร์
◆หลักการทำงาน: ขึ้นอยู่กับองค์ประกอบการตรวจจับความดันสองหลอด bourdon ที่มีความแข็งเหมือนกันถูกนำมาใช้ดังนั้นพวกเขาจึงถูกบังคับให้ผลิตแรงเข้มข้นเดียวกันภายใต้สื่อที่วัดได้เดียวกันเพื่อทำหน้าที่ในการเคลื่อนที่ได้ตามลำดับ ตำแหน่งศูนย์
เมื่อใช้แรงดันที่แตกต่างกัน (โดยทั่วไปแล้วปลายแรงดันสูงจะสูงกว่าปลายแรงดันต่ำ- แรงของท่อ Bourdon ทั้งสองที่ทำหน้าที่รองรับการเคลื่อนย้ายไม่เท่ากันดังนั้นการกระจัดที่สอดคล้องกันจะถูกสร้างขึ้นตามลำดับ
◆ข้อควรระวัง:
1. ควรติดตั้งเครื่องมือในแนวตั้งที่ตำแหน่งที่อยู่ในระดับเดียวกับจุดวัดมิฉะนั้นจะต้องคำนึงถึงข้อผิดพลาดเพิ่มเติมที่เกิดจากความแตกต่างของระดับของเหลว
2 - ขั้วต่อเครื่องมือที่ทำเครื่องหมายด้วย " ชม " หรือ " "เป็นจุดสิ้นสุดแรงดันสูงและอีกอันหนึ่งทำเครื่องหมายด้วย" l " หรือ " - "เป็นจุดสิ้นสุดแรงดันต่ำและไม่สามารถย้อนกลับได้ในระหว่างการติดตั้ง
3 - เมื่อเครื่องมือวัดความดันที่แตกต่างกันค่าความดันที่แตกต่างสามารถใช้ภายใน 75% ของขีด จำกัด บนของช่วงสเกลและค่าความดันคงที่สูงสุดของระบบไม่ควรเกินค่าความดันคงที่สูงสุดที่ระบุโดยเครื่องมือ
4. ดังแสดงในรูป 4 วาล์วความสมดุล (ความปลอดภัย) (วาล์ว 1 ) ควรตั้งไว้ที่ด้านหน้าของพอร์ตอินพุตแรงดันสูงและต่ำของเครื่องมือในระหว่างการติดตั้งและควรอยู่ในตำแหน่งเปิดและควรปิดวาล์วสมดุลหลังจากวาล์ว 2 และ วาล์ว 3 ถูกเปิดทั้งหมด
5 - ก่อนการใช้งานเครื่องมือควรตรวจสอบระดับการกัดเซาะที่เกิดจากสื่อที่วัดได้อย่างระมัดระวังเพื่อไม่ให้เกิดความเสียหายจากการกัดกร่อนในช่วงต้นของหลอด Bourdon
6 - เมื่อเครื่องมือได้รับการดูแลเป็นประจำหากต้องเปิดฝาครอบมิเตอร์ขอแนะนำให้ใช้เครื่องมือพิเศษ
7 - เมื่อเครื่องมือได้รับผลกระทบจากการเปลี่ยนแปลงของอุณหภูมิและข้อผิดพลาดของการบ่งชี้จะเพิ่มขึ้นและส่งผลกระทบต่อความแม่นยำของการวัดผู้บังคับบัญชาปลั๊กในเคสสามารถถูกตัดออกเพื่อให้ภายในและภายนอกของเคสสื่อสารและความดันอากาศมีความสมดุล
◆การแจ้งการสั่งซื้อ:
เมื่อสั่งซื้อเครื่องมือผู้ใช้จะต้องระบุ:
1. ชื่อและแบบจำลองช่วงความดันที่แตกต่างความดันคงที่สูงสุดหน่วยวัดระดับความแม่นยำ
2. ขนาดด้ายข้อต่อ: ธรรมดา M20 1.5 - NPT1/2 (หรือระบุลูกค้า);
3. หมายเหตุ: กลุ่มวาล์วสามกลุ่มสามารถปรับแต่งในนามของผู้ใช้ (วาล์ว 1 - 3 ในรูป 4 )